產品知識
公司動態
- 2025年11月20-22日 本地“...
- 上海到底有誰在啊?10月28-3...
- 漢達參展日記之武漢篇:見證...
- 來嘍來嘍,10月24-26日平湖...
- 中秋遇國慶,家國兩團圓丨go...
- 三八出逃計劃:野外撒歡,燃燒...
聯系我們
浙江漢達機械有限公司
電話:0578-3555444 3152944
傳真:0578-3152335
產品知識
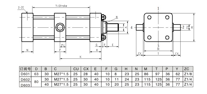
中間銷軸安裝的低壓拉桿液壓缸的尺寸圖及參數
以下為中間銷軸安裝的低壓拉桿液壓缸的尺寸圖及參數。
漢達技術人員結合市場需求,整理了低壓拉桿液壓缸的廠標,給客戶選擇,客戶按廠標選擇,方便快捷,交貨期又快。
![]() |

低壓拉桿液壓缸其他安裝方式:http://m.jsjxff.cn/pressure_show-id-170.html

客戶評論
發表評論