產品知識
公司動態
- 2025年11月20-22日 本地“...
- 上海到底有誰在啊?10月28-3...
- 漢達參展日記之武漢篇:見證...
- 來嘍來嘍,10月24-26日平湖...
- 中秋遇國慶,家國兩團圓丨go...
- 三八出逃計劃:野外撒歡,燃燒...
聯系我們
浙江漢達機械有限公司
電話:0578-3555444 3152944
傳真:0578-3152335
產品知識
油缸選型之HOB油缸,拉桿油缸中的大力士!
HOB重型拉桿油缸,屬于雙作用油缸,工作壓力屬于中高壓油缸,前后缸蓋通過四根螺絲桿連接,維修方便。與MOB油缸相比,HOB是大力士,最高使用壓力達到14Mpa,價格只比MOB稍高一些,故很多客戶低壓環境下也使用HOB油缸。
一、使用壓力
使用壓力范圍:7-14Mpa,試驗壓力:21Mpa

二、產品用途
常用于模具行業、包裝機械行業等

三、產品的性能及特點
1.免潤滑性:該產品采用含油自潤滑軸承,使活塞桿無需加油潤滑;
2.可調緩沖性:油缸終端還加裝可調緩沖,是油缸換向時平穩無沖擊;
3.安裝形式多樣性:多種安裝附件供客戶根據使用要求來選擇;
4.耐高溫性:可采用耐高溫密封材料,使油缸在180°C高溫條件下正常工作;
5.附磁性:油缸活塞上加裝一個永久磁鐵,它可觸發安裝在油缸上的感應開關來感應油缸的運動位置;
6.行程可調性:活塞桿端配有一個可調螺母,是油缸在其行程范圍內實現可調(推力F1=拉力F2);
7.派生多樣性:可在原來的基礎上派生出多樣化的非標產品以此適合客戶需要的各種使用要求。
四、可選澤的安裝方式
標準型、雙出桿、雙軸附可調帽型、FA前法蘭型、FB后法蘭型、中間銷軸型、TC耳軸型、LA左右腳座型、LB前后腳座型、CA單耳型、CB雙耳型+PIN。

五、可選配附件

六、如何訂貨
如果液壓系統壓力在7-14MPA以下,則可以使用HOB油缸,
1)根據油缸需要的受力以及系統壓力14MPA可選定缸徑尺寸;
2)確定油缸行程;
3)選定安裝方式;
4)按照以上三條,可按照以下HOB油缸型號說明,明確您需要的型號;

5)查看對應型號的外形尺寸圖,是否滿足您的要求。特別是安裝尺寸的部分。
掃描以下二維碼,點擊相應缸徑,即可查看外形尺寸圖。


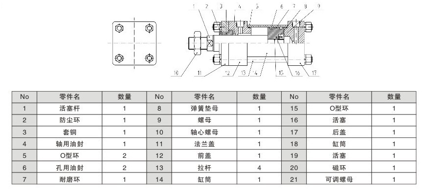
七、結構圖

八、細節展示

希望系統學習油缸如何選型?點擊如下鏈接
客戶評論
發表評論